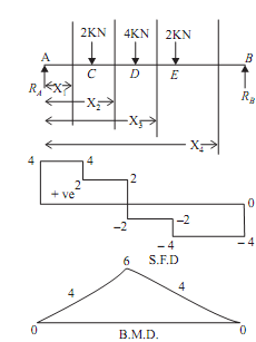
Draw the Shear Force and bending moment diagram for the simply supported beam loaded as shown in the figure given below.
Solution.:
Let reaction at support A and B be, RA and RB First find support reaction
For that,
Taking moment about the point A,
ΣMA = 0
2 X 1 + 4 X 2 + 2 X 3 - RB X 4 = 0
RB = 4KN ...(2)
From equation (1), RA = 4KN ...(3)
Calculation for Shear force Diagram
Draw the section line, here total four section line, which break the load RA and 2KN(Between A and C),
2KN and 4KN(Between C and D),
4KN and 2KN (Between D and E) and
2KN and RB(Between E and B) Consider left portion of beam Take section 1-1
Force on left of section 1-1 is RA
SF1-1 = 4KN (constant value)
Constant value means value of shear force at both the nearest point of section is equal that is
SFA = SFC = 4KN ...(4)
Take section 2-2
Forces on left of section 2-2 is RA and 2KN
SF2-2 = 4 - 2 = 2KN (constant value)
Constant value means value of shear force at both the nearest point of section is equal that is
SFC = SFD = 2KN ...(5)
Take section 3-3
Forces on left of section 3-3 is RA, 2KN, 4KN
SF3-3 = 4 - 2 - 4 = -2KN (constant value)
The constant value means that value of shear force at both the nearest point of the section is equal that is
SFD = SFE = -2KN ...(6)
Take section 4-4
Forces on left of the section 4-4 is RA, 2KN, 4KN, 2KN
SF4-4 = 4 - 2 - 4 - 2 = - 4KN (constant value)
The constant value means that value of shear force at both the nearest point of section is equal that is
SFE = SFB = -4KN ...(7)
Plot the SFD with the help of above shear force values.
Calculation for bending moment Diagram
Let
The distance of section 1-1 from A is X1
The distance of section 2-2 from A is X2
The distance of section 3-3 from A is X3
The distance of section 4-4 from A is X4
Take left portion of the beam
Take section 1-1, taking moment about section 1-1
BM1-1 = 4.X1
It is the Equation of straight line (Y = mX + C), inclined linear.
Inclined linear means that the value of bending moment at both the nearest point of section is varies with
It is Equation of the straight line (Y = mX + C), inclined linear.
Inclined linear means that the value of bending moment at both the nearest point of section varies with
Plot the BMD with the help of obtained bending moment values.




No comments:
Post a Comment